氢冶金以氢作为还原剂进行钢铁生产,能够大幅度降低钢铁产品的碳排放,是钢铁行业实现“双碳”目标的重要技术措施。氢冶金主要包括高炉喷吹富氢燃料技术、氢基直接还原炼铁技术等,中国有90%以上钢铁产品都为高炉-转炉长流程,高炉喷吹富氢燃料技术只需要增加燃料喷吹系统,即可在不更改现有钢铁生产工艺流程的情况下降低高炉的CO2排放,更符合中国钢铁行业的发展需求。
高炉喷吹的富氢燃料包括天然气、焦炉煤气、油田伴生气以及氢气等,其中,焦炉煤气和油田伴生气C/H比较高,CO2减排效果较差;H2具有最佳的CO2减排潜力,但目前由非化石能源制氢的成本较高,且氢气的储运、输送和使用也存在技术难题;高炉喷吹天然气技术较为成熟,CO2减排效果较好,但由于资源及价格问题,仅在俄罗斯、乌克兰以及北美部分地区得到工业化应用。北科环境在俄罗斯高炉喷吹天然气工艺的基础上,联合北京科技大学冶金与生态工程学院,针对国内高炉生产的实际情况,开发了高炉煤吹天然气工艺及设备,在降低高炉生产工序CO2排放的同时有利于高炉的顺行生产,具备良好的经济效益和社会效益。
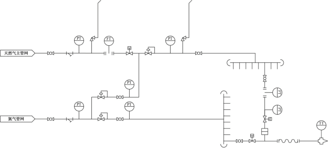
天然气高压管网的天然气通过流量调节压阀调整到合适的压力和流量,经过天然气总管输送至高炉风口平台,在风口平台上方设置天然气环管,在环管上引出天然气支管,总管道内的天然气通过环管和支管平均分配到高炉各个风口内的天然气喷枪。天然气管路上设置流量传感器、压力传感器和温度传感器用于监测天然气输送状态,并配备快速切断阀和阻火器在系统出现异常状况时及时切断气源。与此同时,配套设置了氮气管路用作保安和吹扫,确保天然气开始喷吹、停止喷吹以及喷吹异常时的系统安全。

三、技术优势
1. 通过特殊设计的天然气喷口,保证天然气在高炉风口内完全燃烧,避免了因天然气在风口处热裂解导致的炉腹压力过大,天然气最大喷吹量可达100 Nm3/tFe;
2. 天然气喷枪不会影响高炉风口的冷却系统和喷煤枪的正常运行,高炉风口的寿命长;
3. 完善的监测系统和安保系统保证天然气喷吹过程的安全运行;
4. 高炉喷吹天然气可加速高炉内的还原反应和透气性,有助于高炉的顺行生产;
5. 具备天然气智能喷吹系统,可根据高炉的运行状况智能控制天然气的喷吹量,保证高炉的高效运行。